Littlemore Sewage Pumping Station (2017)
HLPS drained down with new pump & guide rails - Courtesy of Optimise/MWH
As part of the Thames Water AMP5 programme of works, Optimise was instructed to carry out an upgrade to the terminal pump station feeding Oxford STW located in Littlemore, Oxford. The terminal pump station handles flow from a population of 200,000 and the condition of the station was of considerable concern to the Environment Agency, local residents, South Oxfordshire Council, and Oxford City Council. The requirements of the new design were to automate the entire site and maintain pass forward flow at the permitted level. Littlemore SPS is a terminal pumping station and as such it was imperative that the site remain in operation throughout the duration of the works.
Introduction
The existing site had 14 (No.) pumps spread between three stations; 6 (No.) in the high level pumping station wet well (HLPS); 6 (No.) in the deep shaft pumping station dry well (DSPS); and 2 (No.) in the storm shaft pumping station wet well (SSPS). The existing DSPS storm pumps had each been fitted with a throttle section on their dedicated rising mains which, over time, had resulted in increased levels of wear on the pumps and unnecessary expenditure on energy costs.
The site has multiple hydraulic connections between the pump stations to allow manipulation of flow where pumping capacity allows. The HLPS can overflow to the SSPS via a storm overflow chamber and weir allowing the DSPS pumps to take the flow. Conversely the SSPS can pump to the HLPS via the storm pumps in the event of a loss of pumping capacity in the DSPS.
The DSPS operates as a single dry well from which flow is pumped through an 1100mm diameter rising main. The HLPS has the ability to operate as two separate or one single wet well that pumps flow via a discharge manifold with the rising main from the DSPS. Downstream of this manifold the rising main bifurcates into twin rising mains that carry the flow to Oxford STW.

DSPS flowmeter chamber – Courtesy of Optimise/MWH
DSPS flowmeter chamber – Courtesy of Optimise/MWH
Design
The upgrade to the station required the following:
- Removal of 4 (No.) existing pumps weighing over 5T each.
- Installation of 4 (No.) new pumps: 2 (No.) in the DSPS with straight spool pipes to replace the throttles, 2 (No.) in the HLPS.
- 4 (No.) new starters: 2 (No.) in both the DSPS and HLPS.
- 6 (No.) new Pumpsmart variable speed drives: 2 (No.) DSPS, 4 (No.) HLPS (the DSPS already had two variable speed enabled drives for existing pumps).
- All associated cabling and mechanical fittings such as guide rails and pipework.
- 3 (No.) new ultrasonic level sensors: 1 (No.) DSPS, 2 (No.) HLPS.
- 7 (No.) new float switches: 3 (No.) DSPS, 4 (No.) HLPS.
- 3 (No.) new hot tapped flowmeters: 1 (No.) on the DSPS discharge rising main, 2 (No.) on the twin rising mains).
- 1 (No.) new ICA panel with associated HMI and software.
- A new control philosophy was also implemented to automate the operation depending on the levels and flow rates from each pumping station on the site.
The new pumps in the DSPS and HLPS were designed to handle half of the consented flow each thereby enabling the DSPS or HLPS, on its own, to pump the entire consented flow to Oxford STW in the case of high incoming flows. It was recognised that this situation would be a rare occurrence and as such the Pumpsmart units were employed to allow for variable speed. This means that between the smaller, existing pumps and the newer larger pumps, a wide range of flows can be accommodated during dry weather flow periods without exceeding the recommended number of stop / starts per hour. The pumps were supplied by Xylem Water Solutions as were the Pumpsmart units. The installation of the new pumps, junction boxes and associated cabling was carried out by AVRS.
A new ultrasonic was installed in the DSPS as well as three float switches. Each well in the HLPS had a new ultrasonic and two new float switches fitted. These were again installed and cabled by AVRS.

(left) DSPS flowmeter and (right) twin rising main flowmeters – Courtesy of Optimise/MWH
(left) DSPS flowmeter and (right) twin rising main flowmeters – Courtesy of Optimise/MWH
Construction
As the site could not be taken offline for the works to take place, careful scheduling and H&S precautions were taken to ensure the safety of the workers on site.
The project began with the construction of a new flowmeter chamber around the 1100mm diameter rising main from the DSPS. This required digging to a depth of 5m using sheet piling and Groundforce shoring equipment. During the excavation three cables were uncovered and the water table was met. These two issues meant that the original design of the chamber had to be modified to facilitate construction of the chamber whilst maintaining the ability to access the pipe and install a flowmeter.
Following on from this, and bearing in mind that the station could not be taken offline to install inline flowmeters, a decision was taken to install hot tapped, insertion probe flowmeters supplied by Nivus and installed by Z-Tech.
The installation of new pumps and associated equipment within the DSPS encountered one issue that caused delays to the project. The centre lines of the existing suction and discharge pipework were aligned to an older and much larger pump. This was not picked up during the initial scoping and surveying for the project as the pumps are located 18m below ground and require confined space training to enter and carry out work. As such when the new pump was lowered into place it was found that the original plinth was too low and wide, and the suction and discharge flanges were misaligned from those of the new pump. This required specially fabricated spool pieces as well as brackets to raise the pump and allow the base plate to be fitted.
In order to carry out the pump installation at the HLPS, the station was isolated and flows were allowed to back up and overflow to the SSPS to be handled by the DSPS. This necessitated a partial commissioning of the operation of the DSPS to ensure that it could handle the increase in flows without causing a premature spill.

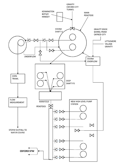
Schematic of Littlemore SPS – Courtesy of Optimise/MWH
Schematic of Littlemore SPS – Courtesy of Optimise/MWH
Prior to installing the pumps in the HLPS the new drives, instruments and associated cabling were installed. This was done to reduce the time that the HLPS would have to be taken offline to install the pumps and guide rails. However this posed H&S issues. The HLPS was a source of odour on site due to the turbulence caused by the inlet flow path. This meant that workers in the vicinity had to be extremely vigilant with respect to H2S exposure. Gas monitors were worn at all times and escape sets were also on hand. Initially there was an occasion when a gas alarm went off at the lower exposure limit. Work was immediately stopped and the area was vacated. Subsequently ventilation fans were brought in to remove the H2S from the working area, thereby allowing the installation to continue.
The installation of the new Pumpsmart units in an existing kiosk required the creation of a new cable trench. This was unforeseen at the design stage, and as such was designed on site and constructed with the input of the team who would be installing the cables. The input from the installation team was invaluable to creating a trench appropriately sized and positioned to allow for ease of installation, maintenance and future access. After the cables, junction boxes, drives and instruments were installed in the HLPS, and there was confidence in the ability of the new pumps in the DSPS to handle the increased flow, the HLPS was isolated, drained down and the pumps installed. For the installation of the guide rails and brackets a manrider was used with all appropriate means of rescue in place.
Once the drives, pumps, instrumentation and cabling were installed the HLPS was then commissioned as a stand-alone station in a similar manner to the DSPS. This ensured that the control philosophy was functioning as intended before moving on to commission the site as a whole, testing the interdependencies of the three pumping stations.

DSPS discharge spool – Courtesy of Optimise/MWH
DSPS discharge spool – Courtesy of Optimise/MWH
All electrical work carried out around the MCC and starters was permitted by a TW SAP (senior authorised person to permit and oversee HV/LV electrical work) and carried out by Boultings. The electrical permits and scheduling of required resources were crucial to the project as the installation of new starters was on the critical path for bringing the stations to an operational state.
The installation of the new control panel, control philosophy, and integration with existing control equipment was carried out by Boultings. The testing of alarms was carried out by JRP and the commissioning by LJR Engineering.
Flow control
During dry weather flow the site operates on levels within the wet wells, ramping the pumps up and down as required. The levels chosen have been slightly altered during commissioning to ensure that the inlet works at Oxford STW receives a steady inlet flow as opposed to a pulsating one that can impact the works.
Under conditions where the site is pumping the consented pass forward flow and the level in the wet well reaches a pre-determined set point, the control begins to ration the pumping from each well. The ratio of flow from the stations is set at 1:5, HLPS:DSPS. The reason for this is that modelling showed that flows into each of the pumping stations is apportioned as such over most operating conditions.

DSPS plinth bracket – Courtesy of Optimise/MWH
DSPS plinth bracket – Courtesy of Optimise/MWH
Conclusion
The works have been completed, the site is operational and is functioning as per the control philosophy, and all project stakeholders are pleased with the outcome of this project. For future learning the issues that caused delay have been given below:
- Incomplete initial surveys and understanding of the layout of existing equipment.
- Lack of resource availability to perform crucial shut downs to parts of the site.
- Integration into new operating systems of existing equipment that did not perform as expected.
The editor and publishers would like to thank Alqayam Meghji, Mechanical Engineer with Optimise/MWH, and Peter Glass, Technical Assurance Engineer with Thames Water, for providing the above article for publication.





